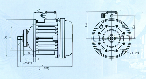
本系列電動機采用流行結構設計,具有結構緊湊、效率高、可靠性高、噪聲低、重量輕、安裝維護方便等優點。 本系列電動機防爆性能符合GB3836. 2-2000《爆炸性氣體環$用電氣設備第2部分:隔爆型“d”》的規定。電動機制成隔爆型,其防爆標志為ExdH BT4和ExdH CT4(H2),適用于傳爆能力不高于IIB和IIC級,引燃溫度不低于T4組的可燃氣體或蒸汽與空氣形成的爆炸性混合物的場所,不適用于乙炔氣體場所。
本系列電動機采用流行結構設計,具有結構緊湊、效率高、可靠性高、噪聲低、重量輕、安裝維護方便等優點。
本系列電動機防爆性能符合GB3836. 2-2000《爆炸性氣體環$用電氣設備第2部分:隔爆型“d”》的規定。電動機制成隔爆型,其防爆標志為ExdH BT4和ExdH CT4(H2),適用于傳爆能力不高于IIB和IIC級,引燃溫度不低于T4組的可燃氣體或蒸汽與空氣形成的爆炸性混合物的場所,不適用于乙炔氣體場所。









友情鏈接:大方起重 河南金地利電子衡器有限公司 河南黃河防爆起重機有限公司 龍門吊廠家 新型花生剝殼機 吸料天車 化工振動篩 氙燈耐氣候老化試驗箱